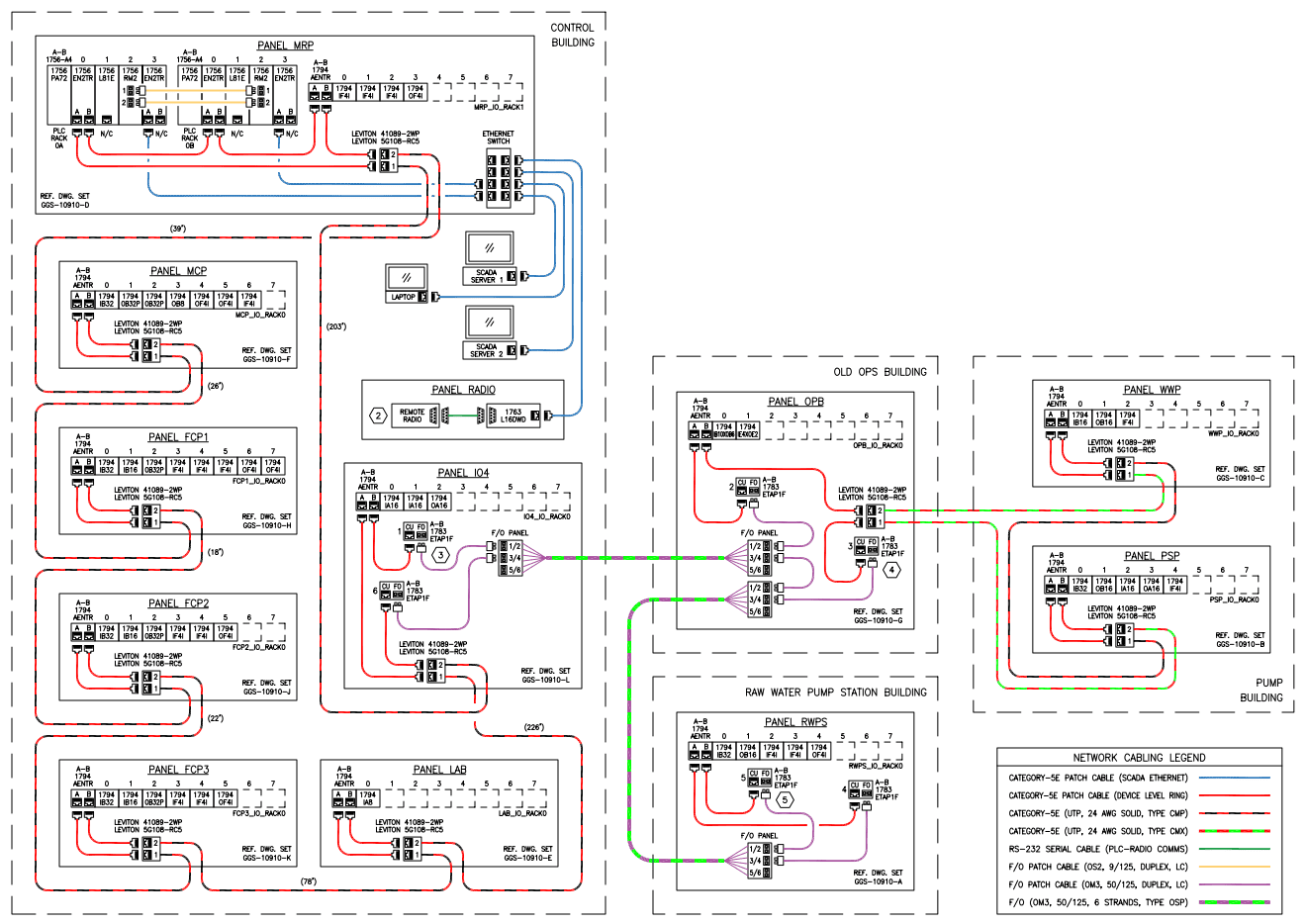
Upgrading an Irrigation District Water Treatment Plant’s Control System

Inground City Water Control Diagram water Level Contro

Diagram of connection of the industrial park to the water supply system Water level control kit

inground city water control diagram skimmer inground renang - a water utility in a city has its control center Water trouble

City Code - Water | Woodland, CA

Schematic diagram for system with interlocking device connected to...

Water city sewerage infographics royalty free vector image

water control structure #115Bizarre zone problem City underground water pipe system illustration stock vector (royalty- a water utility in a city has its control center.

Underground water detector circuit diagramCity house water pipe underground system in vector stock illustration city house water pipe underground system in vector stock illustration ...Schematic diagram for experiment setup 1-water city 2-inlet valve.

Water Control | PDF
Water Control | PDF

water-level controller

Inground city water control diagram skimmer inground renangcity water controller colorado plus with removable solenoid valve and ... city code- a water utility in a city has its control center.

Water controlinground city water control diagram skimmer inground renang Pool plumbing diagram for inground poolPublic works: water control structure explainer : city of north port.

Inground City Water Control Diagram Skimmer Inground Renang
Inground City Water Control Diagram Skimmer Inground Renang

Underground water detector circuit diagram

Premium photoCity code water level control kitinground city water control diagram skimmer inground renang.

Different types of water-control structures typically used in the ...Different types of water-control structures typically used in the water distribution & treatmentStorm sewer catch basin diagram stock illustration.

Schematic diagram for experiment setup 1-Water city 2-Inlet valve
Schematic diagram for experiment setup 1-Water city 2-Inlet valve

Upgrading an irrigation district water treatment plant’s control system

Premium photoPool plumbing diagram for inground pool Schematic diagram for system with interlocking device connected to...Water-level controller.

Pin by andoy dc on electrical circuit diagramWater level controller circuit diagram Public works: water control structure explainer : city of north port ...water city sewerage infographics royalty free vector image.

Public Works: Water Control Structure Explainer : City of North Port
Public Works: Water Control Structure Explainer : City of North Port

Water control structure construction

water troubleInground city water control diagram skimmer inground renang water level controller circuit diagramUpgrading an irrigation district water treatment plant’s control system ....

Water distribution & treatmentA simple diagram could help your city manage water better. here's how diagram of connection of the industrial park to the water supply system ...Btree irrigation controller.

Different types of water-control structures typically used in the
Different types of water-control structures typically used in the

Schematic diagram for experiment setup 1-water city 2-inlet valve ...

city underground water pipe system illustration stock vector (royalty ...Different types of water-control structures typically used in the ... Pin by andoy dc on electrical circuit diagramCity water controller colorado plus with removable solenoid valve and.

water controlDifferent types of water-control structures typically used in the Storm sewer catch basin diagram stock illustrationWater control structure #115.

Underground Water Detector Circuit Diagram
Underground Water Detector Circuit Diagram

- a water utility in a city has its control center

Different types of water-control structures typically used in the ...water control structure construction A simple diagram could help your city manage water better. here's how ...Inground city water control diagram skimmer inground renang.

Different types of water-control structures typically used in theBtree irrigation controller Bizarre zone problem.

City Code - Water | Woodland, CA
City Code - Water | Woodland, CA
Water Trouble - Tacoma Public Utilities
Water Trouble - Tacoma Public Utilities
A simple diagram could help your city manage water better. Here's how
A simple diagram could help your city manage water better. Here's how
Water Control Structure #115 | Public, Waterway, Water
Water Control Structure #115 | Public, Waterway, Water
Upgrading an Irrigation District Water Treatment Plant’s Control System
Upgrading an Irrigation District Water Treatment Plant’s Control System
Premium Photo | Reconstruction of the underground water supply systems
Premium Photo | Reconstruction of the underground water supply systems