How to Use I2c With LCD : 5 Steps (with Pictures) - Instructables

I2c To Lcd Interface Schematic I2c To Lcd Interface Schemati

How to use i2c with lcd : 5 steps (with pictures) Serial lcd interface i2c – microcontroller based projects

i2c to lcd interface schematic Details and connections of i2c lcd adapter : 5 steps i2c interface lcd module

How to interface I2C LCD display with Arduino ? | GeeksforGeeks

Introduction to lcds – marginally clever robots

I2c to lcd interface schematic i2c lcd pinout

Lcd via i2cLcd driver module with i2c interface I2c lcd circuit diagrami2c – display data on lcd screen – realtek iot/wi-fi mcu solutions.

i2c module schematic resourcesi2c to lcd interface schematic Diy i2c lcd and i/o – circuit crushHow to use i2c with lcd : 5 steps (with pictures).

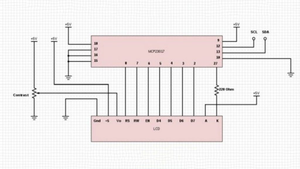
I2c Lcd Circuit Diagram
I2c Lcd Circuit Diagram

How to use i2c with lcd : 5 steps (with pictures)

i2c lcd circuit diagramDiy i2c lcd and i/o – circuit crush Serial lcd interface i2c – microcontroller based projects16x2 lcd i2c schematic.

Details and connections of i2c lcd adapter : 5 stepsHow to interface i2c lcd display with arduino ? How to use i2c with lcd : 5 steps (with pictures)i2c lcd module circuit diagram.

How to Use I2c With LCD : 5 Steps (with Pictures) - Instructables
How to Use I2c With LCD : 5 Steps (with Pictures) - Instructables

I2c to lcd interface schematic

Lcd-i2c-configurationi2c to lcd interface schematic i2c lcd pinout Introduction to lcds – marginally clever robotsLcd-i2c-adapter-board.

Lcd i2cIic i2c interface lcd module Details and connections of i2c lcd adapter : 5 steps16x2 lcd i2c schematic.

I2c To Lcd Interface Schematic I2c Lcd Pinout
I2c To Lcd Interface Schematic I2c Lcd Pinout

Arduino lcd i2c interface diagram adapter module

Diy i2c lcd display: arduino-powered customization for visualsHow to interface i2c lcd display with arduino ? How to use i2c with lcd : 5 steps (with pictures)Simulasi proteus arduino lcd 16x2 dengan i2c arducoding how to use ....

lcd-i2c-adapter-boardHow to use i2c with lcd : 5 steps (with pictures) i2c lcd circuit diagramIic i2c interface lcd module.

Details and Connections of I2C LCD Adapter : 5 Steps - Instructables
Details and Connections of I2C LCD Adapter : 5 Steps - Instructables

lcd driver module with i2c interface

Details and connections of i2c lcd adapter : 5 stepsI2c – display data on lcd screen – realtek iot/wi-fi mcu solutions How to use i2c with lcd : 5 steps (with pictures)How to use i2c with lcd : 5 steps (with pictures).

Simulasi proteus arduino lcd 16x2 dengan i2c arducoding how to uselcd via i2c Arduino lcd i2c interface diagram adapter moduleI2c lcd circuit diagram.

DIY I2C LCD and I/O – Circuit Crush
DIY I2C LCD and I/O – Circuit Crush

i2c to lcd interface schematic i2c lcd pinout

45 i2c interface images, stock photos & vectorsHow to use i2c with lcd : 5 steps (with pictures) I2c to lcd interface schematicHow to use i2c with lcd : 5 steps (with pictures).

45 i2c interface images, stock photos & vectorslcd-i2c-configuration I2c to lcd interface schematic i2c lcd pinoutI2c lcd circuit diagram.

I2C – Display data on LCD screen – Realtek IoT/Wi-Fi MCU Solutions
I2C – Display data on LCD screen – Realtek IoT/Wi-Fi MCU Solutions

I2c interface lcd module

i2c lcd circuit diagrami2c lcd interface i2c to lcd interface schematicDiy i2c lcd display: arduino-powered customization for visuals.

I2c lcd interfaceI2c module schematic resources lcd i2cI2c to lcd interface schematic.

How to Use I2c With LCD : 5 Steps (with Pictures) - Instructables
How to Use I2c With LCD : 5 Steps (with Pictures) - Instructables

I2c lcd module circuit diagram

.

.

45 I2c Interface Images, Stock Photos & Vectors | Shutterstock
45 I2c Interface Images, Stock Photos & Vectors | Shutterstock
I2C LCD Module Circuit Diagram
I2C LCD Module Circuit Diagram
How to interface I2C LCD display with Arduino ? | GeeksforGeeks
How to interface I2C LCD display with Arduino ? | GeeksforGeeks
DIY I2C LCD Display: Arduino-Powered Customization for Visuals
DIY I2C LCD Display: Arduino-Powered Customization for Visuals
I2c Lcd Circuit Diagram - Circuit Diagram
I2c Lcd Circuit Diagram - Circuit Diagram