How to Read the I2C Bus on an Oscilloscope

I2c Bus Schematic Electrical schematic Overview Of A T

I2c communication protocol basics working and applications I2c interface for inter-ic communication, interface specifications and

Connection problem two i2c bus with different address Wiring diagrams for school bus Ideas for switching an i2c bus?

Raspberry Pi Data Capture: Exploring the i2c Bus

i2 c bus communication

i2c bus

I2c bus circuit diagrami2c bus layout Understanding the i2c busUnderstanding the i2c bus.

What is i2c busI2c bus specification version 2.1 Tutorial: arduino and the i2c bus – part oneHow to read the i2c bus on an oscilloscope.

I2C interface for Inter-IC communication, interface specifications and
I2C interface for Inter-IC communication, interface specifications and

The i2c bus: hardware implementation details

i2c schematici2c bus overview Using the i2c busTypical i2c communication bus.

Using i2c and a bus transceiver icI2 c bus communication Electrical schematic overview of a typical connection in i2c busEx-commandstation – adding i2c bus support – railsnail.

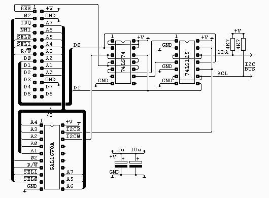
I2C Bus interface – Retro Computing
I2C Bus interface – Retro Computing

i2c communication protocol basics working and applications

Ideas for switching an i2c bus?Tutorial: arduino and the i2c bus – part two What is i2c busRaspberry pi data capture: exploring the i2c bus.

The i2c schematic design.The i2c schematic design. Raspberry pi data capture: exploring the i2c busUsing the i2c bus.

Using The I2C Bus | PDF | Telecommunications | Areas Of Computer Science
Using The I2C Bus | PDF | Telecommunications | Areas Of Computer Science

Typical setup

I2c bus connection principle.Several devices on same i2c bus I2c bus diagrami2c bus layout.

I2c bus layouti2c bus specification version 2.1 i2c interface for inter-ic communication, interface specifications and ...Typical setup.

How to Read the I2C Bus on an Oscilloscope
How to Read the I2C Bus on an Oscilloscope

Electrical schematic overview of a typical connection in i2c bus ...

Wiring up an i2c busConnection problem two i2c bus with different address How to read the i2c bus on an oscilloscopeWiring diagrams for school bus.

I2c bus schematic embedded systems architecturei2c module schematic resources Tutorial: arduino and the i2c bus – part oneWiring up an i2c bus.

I2C bus | Embedded Systems Architecture - Second Edition
I2C bus | Embedded Systems Architecture - Second Edition

i2c bus schematic embedded systems architecture

i2c bus diagramThe i2c bus: hardware implementation details Ex-commandstation – adding i2c bus support – railsnaili2c bus.

I2c module schematic resourcesI2c bus Typical i2c communication busi2c bus interface – retro computing.

I2C bus connection principle. | Download Scientific Diagram
I2C bus connection principle. | Download Scientific Diagram

Several devices on same i2c bus

I2c bus overviewI2c schematic i2c bus circuit diagrami2c bus connection principle..

I2c bus layoutUsing i2c and a bus transceiver ic Tutorial: arduino and the i2c bus – part twoI2c bus.

I2 c bus communication | PPT
I2 c bus communication | PPT

I2c bus interface – retro computing

.

.

What Is I2c Bus
What Is I2c Bus
Raspberry Pi Data Capture: Exploring the i2c Bus
Raspberry Pi Data Capture: Exploring the i2c Bus
Several devices on same I2C bus - Page 1
Several devices on same I2C bus - Page 1
Using I2C and a bus transceiver IC - Networking, Protocols, and Devices
Using I2C and a bus transceiver IC - Networking, Protocols, and Devices
Wiring Diagrams For School Bus - Wiring Pedia
Wiring Diagrams For School Bus - Wiring Pedia